Problemas de armónicos y solución de UPS para la instalación de computadoras

Problemas de armónicos y solución de UPS para la instalación de computadoras

En un mundo cada vez más digital, donde la eficiencia de nuestros sistemas eléctricos es crucial, los armónicos emergen como uno de los principales enemigos del rendimiento óptimo en las instalaciones de computadoras. Estos ruidos eléctricos, generados por dispositivos como fuentes de alimentación switching, pueden causar desde interferencias en el funcionamiento hasta daños permanentes en el equipo. Pero, ¿cómo podemos mitigar estos efectos y asegurar la continuidad de nuestra operación? En este artículo, exploraremos las causas y consecuencias de los problemas de armónicos, y conoceremos cómo una Unidad de Protección Ininterrumpida (UPS) puede ser nuestra aliada en la lucha contra ellos, garantizando un entorno de trabajo estable y eficiente. ¡Acompáñanos en este recorrido hacia soluciones efectivas que protegerán tu inversión y mejorarán el rendimiento de tus sistemas!

«¿Problemas de armónicos afectando tu instalación de computadoras? Descubre cómo una UPS puede ser la solución que estás buscando.»

Las instalaciones informáticas pequeñas o grandes son susceptibles a armónicos en las líneas eléctricas. Los diseños avanzados de computadoras y periféricos los hacen virtualmente a prueba de fallas. Pero en presencia de energía de baja calidad, la presencia de armónicos reduce la vida útil de los equipos y los somete a fallas prematuras. No se aplican todos los instrumentos de medición estándar de corriente alterna, voltaje, potencia, factor de potencia, como resultado, acceder al origen de la falla es muy difícil. El SAI tiene problemas de asociación tanto en la entrada como en la salida de armónicos, prácticamente todos los periféricos tienen rectificadores de entrada, que extraen corrientes armónicas. La salida del SAI utiliza filtros, algoritmos de conmutación especiales para superar los efectos negativos. Una fijación unilateral del % de armónicos a ambos lados del SAI genera costes elevados.

Hay un crecimiento natural de armónicos en las cargas eléctricas de una instalación moderna, ya que utiliza equipos electrónicos avanzados como comunicaciones, computadoras, servidores, etc. Estos equipos funcionan con fuentes de alimentación de CC internas derivadas de la red de CA disponible. Todas estas cargas toman corrientes no lineales del suministro y generan armónicos en el suministro. Para la continuidad de las comunicaciones, aferrándose a los programas y datos, se utilizan habitualmente sistemas SAI. Hay tres tipos de sistemas UPS en uso: fuera de línea, iterativo en línea y en línea. En el sistema UPS interactivo fuera de línea y en línea, la red de CA, cuando esté disponible, conectada directamente sin frecuencia ni corrección de armónicos, por lo tanto, los armónicos presentes en la red se transmiten a las cargas. De manera similar, las corrientes armónicas de carga pasan a la línea de entrada sin ningún tipo de filtrado.

Los sistemas UPS en línea, que actúan efectivamente como un amortiguador de armónicos entre la carga y la fuente de alimentación. Además de proporcionar energía ininterrumpida, por su acción amortiguadora son los preferidos por prácticamente todas las aplicaciones electrónicas.

Los sistemas UPS están asociados con problemas de armónicos así como con soluciones. Existen diferentes tipos y la intensidad de los problemas de armónicos en función de las clasificaciones de potencia. Los sistemas UPS ampliamente divididos en la siguiente gama

1. Micro UPS (Menos de 3 KVA)
2. SAI de baja potencia (3 – 20 KVA)
3. SAI de Media Potencia (20 – 100 KVA)
4. SAI de alta potencia (superior a 100 KVA)

RECTIFICADOR MONOFASICO
Problemas de armónicos y solución de UPS para la instalación de computadoras

>

Comenzando con un rectificador monofásico con diodos y condensadores de filtros utilizados para alimentar el inversor, la corriente consumida es muy pico. Cuando se utilizan rectificadores controlados para alimentar tanto la alimentación

Inversor y batería de carga, las baterías flotan a través del bus de CC común compartido por el inversor. Las corrientes consumidas no son lineales y contienen armónicos.

Problemas de armónicos y solución de UPS para la instalación de computadoras

>

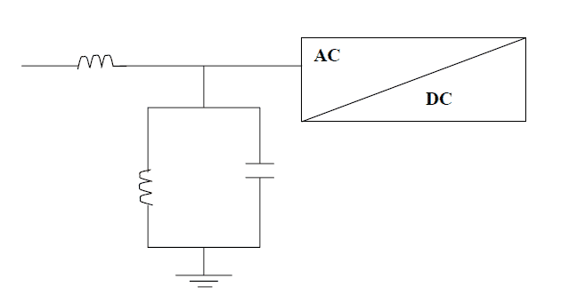
Considere un esquema de bloques simple común a prácticamente todos los tipos de sistemas UPS en línea. El rectificador del sistema UPS que se muestra en la figura anterior está conectado a la fuente de entrada de energía primaria. En la mayoría de los casos, la fuente de entrada es una fuente de alimentación de CA comercial disponible. En situación de escasez de energía, todas las instalaciones críticas son apoyadas por grupos electrógenos diesel, que se encienden y suministran energía AC a los sistemas UPS. El rectificador del sistema UPS consta de dispositivos y filtros controlados. Hay una variedad de circuitos rectificadores y configuraciones utilizadas en función de los requisitos de potencia. El problema armónico es prominente en UPS de media y alta potencia en todas las configuraciones de rectificadores utilizados.

Problemas de armónicos y solución de UPS para la instalación de computadoras

>

Durante el ciclo positivo de la forma de onda de CA, el diodo D1 y D4 se polariza hacia adelante y la corriente fluye desde la fuente al diodo D1, D4 y al capacitor y regresa a la red eléctrica. De manera similar, durante el ciclo negativo, la corriente fluye desde la fuente al diodo D2, D3 y al capacitor y regresa a la red eléctrica. Así, la dirección de la corriente en el capacitor permanece unidireccional durante el ciclo completo de corriente alterna. 5 KVA y más, muchos de los sistemas UPS utilizan el tipo de tiristores de rectificadores. Se utiliza un rectificador monofásico de hasta 10 KVA, mientras que un rectificador trifásico de más de 10 KVA se utiliza.

Para rectificadores de potencia media en el SAI, utilice convertidores de 6 pulsos de manera principal. Los 6 pulsos tienen un patrón de comportamiento armónico bien documentado. Los rectificadores de UPS usan filtros en el lado de CC y tienen una batería como EMF posterior. Esto es similar a la situación de la unidad de CC. En la mayoría de los casos el rectificador opera en modo de corriente discontinua, toma picos de corriente y tiene armónicos que van del 15 al 40 %. Hay una seriedad añadida a los problemas de armónicos en las condiciones indias en las que la variación del voltaje de entrada es muy amplia, se experimenta una alta impedancia de entrada y una amplia fluctuación de frecuencia. Debido a estos problemas, hacer un rectificador de 6 pulsos con trampas de armónicos para mantener el 5 % de la corriente de entrada es un desafío tecnocomercial.

SOLUCIÓN PARA EL CONTROL DE ARMÓNICOS AGUAS ARRIBA

1. INDUCTOR EN LA ENTRADA DEL RECTIFICADOR

Consiste en suavizar el inductor aguas arriba del rectificador del SAI y se suma a la inductancia total de la fuente. La desventaja del uso del inductor es que se produce una caída de tensión de línea en el inductor.

Problemas de armónicos y solución de UPS para la instalación de computadoras

>2. FILTRO PASIVO LC

Problemas de armónicos y solución de UPS para la instalación de computadoras

>Esta solución consiste en instalar, además de un inductor de filtrado, un filtro LC en paralelo en la entrada del rectificador/cargador. El valor de L y C se selecciona de manera que la impedancia del filtro sea cero para los 5 elcorriente armónica (la más significativa) y baja para 7el corriente armónica. Para ello se seleccionan valores tales que LCw2 = 1 para H5, es decir, f = 5 x50 = 250 Hz. Así para

  • El quinto orden armónico (250 Hz), la impedancia paralela es igual a cero. Toda la corriente del quinto armónico fluye a través del circuito paralelo y ya no afecta a las otras cargas.
  • El séptimo orden armónico (350 Hz 0 dado el ligero cambio de sintonía, la impedancia en paralelo sigue siendo baja y parte de la corriente H7 también se elimina.
  • Los armónicos con órdenes superiores, la impedancia del filtro en paralelo es muy próxima a la de su inductor serie y funciona como divisor de tensión.
  • VENTAJAS:

    1. Solución simple y confiable
    2. El inductor se puede agregar a la instalación en cualquier momento.
    3. Aumento del factor de potencia de entrada. La presencia del circuito de filtro paralelo sintonizado a los quintos armónicos hace que aparezca una corriente capacitiva en la frecuencia fundamental. Esta corriente capacitiva puede, por tanto, mejorar el factor de potencia del rectificador.

    DESVENTAJAS:

    1. Espectro limitado. Esta solución es efectiva solo para frecuencias cercanas a la frecuencia sintonizada. Elimina la corriente del quinto armónico, una parte del séptimo armónico, pero muy poco de H11 y H13.
    2. Poco adecuado para cambiar el nivel de carga. La eficacia se reduce a la mitad cuando el SAI funciona al 50 % de la carga.
    3. Dependencia de la fuente. Si la instalación incluye un grupo electrógeno de motor, el filtro básico no se puede utilizar si el grupo electrógeno de motor no puede aceptar una corriente capacitiva igual al 30 % de la corriente del rectificador. En este caso se requiere filtro compensado.

    FILTRO DE PULSO

    Problemas de armónicos y solución de UPS para la instalación de computadoras

    >Esta solución, de la que UPS SYSTEMS fue uno de los precursores allá por 1975, puede utilizarse tanto para sistemas SAI individuales como paralelos. Utiliza (ver figura 8) un transformador con dos devanados secundarios para suministrar tensiones con un desfase del 30%, cada uno de los secundarios alimentando un puente rectificador Gretzky. El resultado es una rectificación de 12 pulsos porque el puente doble tiene doce patas.Los rectificadores deben suministrar corrientes CC idénticas para garantizar que las corrientes CA consumidas en el secundario del transformador tengan los mismos valores. De esta forma se recombinan las corrientes armónicas generadas por cada uno de los rectificadores en el primario del transformador.

    El cambio de fase seleccionado reduce los órdenes armónicos 6k+_1 (donde k es un número entero) y solo quedan los órdenes 12k+_1. Se eliminan así los órdenes armónicos H5.H7, H17 y H19. Se mantienen los órdenes armónicos H11, H13, H23 y H25. La corriente resultante tiene una forma de onda que se asemeja más a una corriente sinusoidal que la obtenida por un solo rectificador.

    La corriente resultante en la entrada del transformador es más sinusoidal en comparación con el rectificador de seis pulsos y la forma de onda de la corriente (corriente de entrada) es la siguiente.

    Problemas de armónicos y solución de UPS para la instalación de computadoras

    > DIFERENTES VERSIONES

    1. Doble puente y transformador con dos secundarios.
    2. Doble puente y autotransformador.
    3. Conexión en serie o en paralelo del rectificador

    VENTAJAS

    1. Rendimiento aceptable, pero inferior al de los filtros pasivos: THDI<=10%.
    2. Aislamiento galvánico completo a la entrada del SAI para versiones con transformadores como los propuestos por UPS SYSTEMS.

    DESVENTAJAS

    1. Debe planificarse desde el diseño de la instalación etapa 2. Compleja (voltaje balanceado, corrientes de cortocircuito, corrientes de rectificador).
    2. Caro (doble rectificador, transformador con doble secundario o autotransformador).
    3. Mal adaptado a los cambios en el nivel de carga. La eficacia cae con el porcentaje de carga (el THDI aumenta del 10 % a plena carga al 15 % al 50 % de carga).
    4. No cumple con la guía IEC 61000-3-4

    ACONDICIONADOR ACTIVO

    Principio de operación

    UPS SYSTEM introdujo esta topología en 1997, donde el rectificador tiene una configuración similar a la de un puente doble, sin embargo, con algunas diferencias, el acondicionador activo incluye un puente IGBT de 6 pulsos con clasificación completa que compensa/cancela activamente los armónicos de corriente reinyectados.

    El acondicionador activo ofrece las siguientes ventajas.

    1. Eliminación de armónicos (THDI<5%)
    2. Un aumento en el factor de potencia hasta PF>0.94
    3. Un nivel de rendimiento prácticamente constante del 30 al 100% de carga, sea cual sea el tipo de fuente.
    4. Libertad total en la instalación porque la ausencia de armónicos aguas arriba hace que no se requieran más precauciones especiales.
    5. Compatibilidad total con grupos electrógenos de motor incluso a niveles de carga bajos, lo que a su vez reduce el riesgo de

    a) Perturbar el funcionamiento del grupo electrógeno del motor (aumento de la temperatura, regulación alterada, etc.)
    b) Aumento de la distorsión del voltaje debido a la mayor impedancia de la fuente (la reactancia subtransitoria X”d de un grupo electrógeno de motor es aproximadamente del 10 al 12 % en comparación con el 3 al 4 % del voltaje de cortocircuito Uscx de un transformador) 6.Hasta un 15% de reducción en el consumo con la correspondiente optimización de los cables aguas arriba, el transformador y el grupo electrógeno del motor. Los kVA extraídos en la entrada son menores que los kVA de salida;

    a) El factor de potencia de entrada es >0,95, con la corriente y el voltaje mantenidos en fase por el sistema de regulación, y el factor de potencia o/p durante el funcionamiento normal es de 0,8
    b) Un SAI con 200 KVA de potencia de salida aparente (es decir, 160 kw donde PF=0,8) consume (dado el 93 %)

    -Con rectificador tradicional (entrada pf=0,8): s=(160/0,91))/0,5=215 KVA

    – Con rectificador de impulsos activo: S’=(160/0,91)/0,94=187 KVA es decir una reducción de

    (S-S’): S =(215-187)/215=13%

    6. Cumplimiento total de la guía IEC 61000-3-4. El THDI <4% significa que los armónicos principales están por debajo del 3%. De hecho, el nivel individual para todos los órdenes de armónicos es significativamente menor que los requisitos contenidos en la guía IEC 61000-3-4.

    COMPARACIÓN DE SOLUCIONES

    enfoque THM

    UPS SYSTEM propone un enfoque general para el control de armónicos en el marco de THM (gestión total de armónicos).

    Este enfoque comienza con una auditoría in situ de la instalación del cliente, seguida de soluciones propuestas que se adaptan con precisión a los objetivos operativos del cliente.

    Para los SAI, este enfoque permite garantizar un nivel deseado de compatibilidad armónica o eliminar armónicos. Para ello y en función de las necesidades de los clientes, UPS SYSTEMS puede proponer toda la gama de soluciones presentadas en las páginas anteriores.

    Problemas de armónicos en la salida del SAI

    Como se ve en el esquema de bloque de la figura 1, no hay ningún tipo de distorsión en la salida del UPS desde el suministro de entrada, ya que hay un enlace de CC con la batería. El inversor en el UPS genera voltajes trifásicos o monofásicos de onda sinusoidal de salida. Los inversores IGBT utilizan una de las técnicas comunes de la modulación de ancho de pulso de onda sinusoidal (PWM).

    Hay muy pocas aplicaciones de gama baja que utilizan inversores de onda semicuadrada, que contienen altos armónicos en la generación, estos tipos no se consideran para este documento.

    La figura muestra el control en forma de esquema de bloques, hay una referencia interna de onda sinusoidal pura generada con una distorsión inferior al 0,1 %, se compara la forma de onda de salida del SAI y se ajusta el ancho de pulso. Esto sucede más de 20 veces en un ciclo de energía, por lo tanto, la forma de onda de salida se corrige en pasos muy precisos, lo que da como resultado una buena onda sinusoidal.

    La frecuencia de modulación utilizada varía según el rango de KVA, por razones prácticas de ruido, limitaciones del dispositivo, etc. Los Micro UPS utilizan frecuencias superiores a 20 kHz, los UPS de baja potencia de 10 a 20 kHz, los UPS de media potencia utilizan frecuencias de 1 a 5 kHz. En todos los inversores, se utiliza un filtrado L y C simple para eliminar los armónicos de frecuencia de modulación residual y las formas de onda de tensión obtenidas son de onda sinusoidal pura con armónicos inferiores al 2-5 % o algo así, estándar industrial para todas las aplicaciones.

    Como en el caso de la red, las cargas no lineales consumen corrientes armónicas cuando estas interactúan con la serie L del filtro de salida del inversor, se producen tensiones armónicas en la salida del SAI. Estos se aplican a otras cargas en el punto de acoplamiento común (según lo especificado por IEEE), que no es más que un punto de salida de UPS para todos los propósitos prácticos. Los efectos nocivos conocidos de la presencia de armónicos están ahí, algunos de ellos se ven fácilmente, otros crean fallas prematuras en los componentes que no pueden atribuirse a ninguna causa aparente. Todos los efectos negativos conocidos existen como calentamiento en condensadores, transformadores, motores, etc. El procedimiento estándar para distribuir la carga en UPS trifásicos de manera que la corriente neutra permanezca baja no resuelve los efectos negativos de la corriente neutra en presencia de armónicos atraídos por la carga. Se debe tener especial cuidado para limitar el voltaje neutral a 3 voltios. Los límites provienen del uso de chips semiconductores de trabajo de alta velocidad de 3.3 voltios. voltaje y excede el límite del equipo de manejo de 3 a 5 voltios, lo que a su vez da como resultado operaciones poco confiables.

    CONCLUSIONES

    Claramente, se destacan dos tipos de soluciones

    1.Las soluciones de bajo costo que ofrecen un rendimiento promedio.

    Estas soluciones implementan un filtro pasivo estándar.

    1. Es posible reforzar las soluciones según la instalación (filtros compensados ​​o filtros no compensados ​​con contactor)
    2.Las soluciones de alto rendimiento, que son marginalmente costosas en las inversiones iniciales, sin embargo, reducen el TCO (costo total de propiedad) y, lo que es más importante, cumplen con las recomendaciones de la guía IEC 61000-3-4.

    Estas dos soluciones son:

    a) Rectificador de “factor de potencia limpio corregido”
    b) Rectificador de armónicos activo para compensar los armónicos generados por el puente graetz de 6 pulsos

    Las muchas ventajas proporcionadas por las soluciones de PFC y acondicionador activo a un costo total de propiedad relativamente bajo hacen que las soluciones tradicionales a un costo total de propiedad relativamente bajo hagan que las soluciones tradicionales de 12 pulsos, para las cuales MGE UPS fue uno de los pioneros en 1975, sean prácticamente obsoletas. Además, estas soluciones no respetan las recomendaciones de la guía IEC 61000-3-4.

    Error 403 The request cannot be completed because you have exceeded your quota. : quotaExceeded

    [automatic_youtube_gallery type=»search» search=»Problemas de armónicos y solución de UPS para la instalación de computadoras» limit=»1″]

    Problemas de Armónicos y Solución de UPS​ para Instalaciones de Computadoras

    En ​un mundo⁣ cada vez⁢ más digital, donde la eficiencia de nuestros sistemas eléctricos ⁢es crucial, los armónicos emergen como ⁣uno de los principales enemigos del rendimiento óptimo en las instalaciones de computadoras.

    ¿Qué‌ son los ⁤armónicos y por qué son un problema?

    Los ⁤armónicos son⁣ distorsiones en la señal eléctrica que se producen‌ cuando se ⁤utilizan dispositivos que generan ‍corriente no lineal, como las fuentes ⁢de alimentación switching. Esta distorsión‍ puede causar desde interferencias en el funcionamiento hasta daños permanentes en‌ el equipo.

    Las instalaciones informáticas, tanto pequeñas como grandes, son susceptibles a estos ‌problemas. La energía de baja ⁣calidad reduce la vida útil de⁤ los equipos⁣ y puede⁤ llevar a fallas prematuras.

    Impacto de los armónicos en las instalaciones ‌de computadoras

    1. Interferencias en el rendimiento: Los ‍armónicos pueden ‍causar ralentización en los sistemas y pérdida⁤ de datos.
    2. Daños a equipos: La energía de mala ⁣calidad puede generar sobrecargas y fallos en ​los componentes ​internos.
    3. Aumento de costos: La necesidad‍ de reparaciones frecuentes y ⁤el​ reemplazo de equipos pueden elevar los costos operativos.

    ¿Cómo puede ‍ayudar una UPS?

    Una Unidad​ de Protección Ininterrumpida (UPS) puede ser ⁣una solución efectiva para mitigar ⁤los efectos dañinos de los armónicos:

    • Filtrado de armónicos: Algunos ‍sistemas UPS están diseñados para ⁢filtrar estos armónicos, proporcionando una ⁢señal eléctrica ⁣más limpia.
    • Estabilidad energética: Las⁣ UPS ofrecen energía ‍continua, incluso‍ en caso de cortes de suministro, asegurando la funcionalidad de los equipos críticos.
    • Reducción‌ de costos a largo ‌plazo: Al proteger los equipos de daños, las UPS pueden ayudar‍ a reducir los ​gastos de reparación y reemplazo.

    Tipos de sistemas UPS

    Existen diferentes​ tipos de sistemas UPS que se utilizan para abordar problemas de armónicos:

    1. UPS fuera de línea: Funciona solo‌ en caso de fallo de la‌ corriente principal.
    2. UPS interactivo: Ajusta‍ la salida al variarla ⁣entre la corriente de entrada y‍ la ‍batería.
    3. UPS en línea: ​Proporciona energía constante⁣ y​ filtrada, ideal para aplicaciones sensibles.

    Soluciones para ‌el control de armónicos

    Existen​ varias estrategias que se pueden implementar para reducir⁣ los armónicos en ‌una instalación eléctrica:

    • Uso de ⁤inductores: Pueden disminuir la magnitud de los armónicos antes de que lleguen a las ⁢cargas.
    • Filtros LC: Se instalan⁣ para‌ eliminar frecuencias específicas de armónicos,⁣ mejorando ‌la calidad de la​ energía.
    • Acondicionamiento activo: Sistemas más⁣ avanzados que ⁣eliminan activa y continuamente⁢ los armónicos ⁣de la corriente.

    Preguntas Frecuentes (FAQ)

    ¿Qué daños pueden causar los armónicos en ‌un sistema eléctrico?

    Los armónicos pueden‌ provocar sobrecalentamiento, disminución de la ⁢eficiencia energética,‌ y pueden causar fallos⁤ prematuros de componentes electrónicos, lo que⁤ puede resultar​ en ‌reparaciones costosas y pérdidas de datos.

    ¿Es suficiente una UPS para eliminar todos los ⁣armónicos?

    No necesariamente. Aunque las UPS pueden filtrar algunos armónicos, es ​recomendable utilizar ⁣soluciones adicionales como filtros pasivos o acondicionadores activos para garantizar ⁣una calidad de energía óptima.

    ¿Cómo sé si mi instalación tiene problemas de⁣ armónicos?

    Se ‍pueden detectar problemas de armónicos mediante equipos de medición específicos que analizan‌ la calidad ‍de la energía y identifican ​la‍ presencia de distorsiones en la corriente.

    3 comentarios en «Problemas de armónicos y solución de UPS para la instalación de computadoras»

    1. GolunaU: ¡Exacto, giuliani! Yo también tuve mis batallas con los armónicos cuando monté mi oficina en casa. Al principio, pensaba que no era algo tan grave hasta que mi computadora empezó a hacer cosas raras. Después de leer un poco y tomar tu consejo sobre un UPS, ahora mis equipos están funcionando como relojito. ¡Esos detalles, de verdad, marcan la diferencia!

    2. Acrescudazc: ¡Vaya que sí, amigos! Yo también pasé por lo mismo al instalar mi estudio de grabación. Al principio, ignoré los problemas de armónicos y, ¡bum!, de repente todo se caía. Desde que implementé un UPS, no solo el equipo se siente más estable, sino que además la calidad de la grabación ha mejorado. ¡Definitivamente vale la pena la inversión!

    3. ¡Totalmente de acuerdo, giuliani! Cuando instalé mi primer servidor, me encontré con un lío de armónicos que casi me vuelve loco. Al final, decidí invertir en un UPS de buena calidad y la diferencia fue increíble. No solo se estabilizó la energía, sino que además, los equipos dejaron de reiniciarse de la nada. Recomendable al 100%, ¡hay que cuidar esos detallitos para que todo funcione suave!

    Deja un comentario