Puesta a tierra de resistencia y reactancia: Una mirada a la eléctrica dualidad
En el vasto mundo de la ingeniería eléctrica, la puestas a tierra no es solo una cuestión técnica, sino un componente esencial para la seguridad y el rendimiento de nuestros sistemas eléctricos. En este artículo, exploraremos la fascinante dualidad entre la resistencia y la reactancia, dos conceptos que, aunque opuestos en naturaleza, trabajan en armonía para garantizar la estabilidad y eficiencia de nuestras instalaciones. Acompáñanos en este viaje a través de los circuitos y las corrientes, donde desentrañaremos cómo la correcta puesta a tierra puede ser la clave para prevenir fallas y maximizar la funcionalidad. ¡Prepárate para conectar los puntos de una realidad eléctrica que muchas veces pasa desapercibida!
«Descubre todo lo que necesitas saber acerca de la puesta a tierra de resistencia y reactancia, un elemento crucial para garantizar la seguridad eléctrica en cualquier tipo de instalación. Aprende cómo funcionan y cuál es su importancia en el correcto funcionamiento de los sistemas eléctricos. ¡No te pierdas esta completa guía que te ayudará a entender la importancia de una puesta a tierra eficiente!»
La conexión a tierra por resistencia y reactancia limita la corriente de falla del sistema en caso de falla. La resistencia o reactancia o la combinación de resistencia y reactancia se agrega entre neutro y tierra. Estos componentes obstaculizan el camino de la corriente de falla y mantienen la corriente de falla dentro del límite de corriente seguro del equipo.
¿Qué es la puesta a tierra por resistencia?
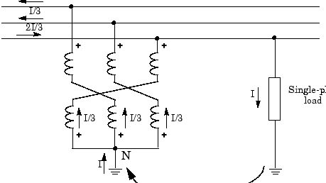
En un sistema trifásico de 4 hilos, el punto neutro está en potencial cero cuando todas las corrientes de fase son iguales. Sin embargo, el desequilibrio en las corrientes de línea hace que se desarrolle tensión en el punto neutro. Si el punto neutro está conectado al punto de tierra, fluye una gran corriente. La gran corriente es vulnerable a la red eléctrica y al equipo eléctrico.
Para limitar la corriente de falla a tierra, la resistencia, conocida como Neutral Grounding Resistor, se conecta entre el neutro del sistema y la tierra. La resistencia conectada entre la tierra del sistema y la tierra se conoce como puesta a tierra por resistencia.
Las siguientes son las ventajas de la puesta a tierra por resistencia.
>En un sistema de puesta a tierra por resistencia, el mero uso de la resistencia no garantiza la protección de la red eléctrica. La selección correcta del valor de resistencia es muy importante para un sistema de puesta a tierra de resistencia perfecto.
Si seleccionamos el valor de resistencia demasiado bajo, fluirá una gran corriente que puede dañar el sistema. Contrariamente a esto, si seleccionamos un valor de resistencia demasiado alto, una corriente infinitesimal fluye a través de la tierra y el sistema actúa como un sistema sin conexión a tierra.
En pocas palabras, una corriente suficiente, ni demasiado alta ni demasiado baja, debe fluir a través de la tierra para detectar la corriente de falla para el aislamiento posterior de la sección defectuosa.
¿Para qué aplicación es adecuada la conexión a tierra por resistencia?
La puesta a tierra por resistencia es la más adecuada cuando se debe limitar la corriente de defecto a tierra a la corriente a plena carga del equipo. Lo sabemos, la vida útil del equipo se ve afectada por el aumento de la temperatura. La gran corriente que fluye a través del equipo provoca un aumento de la temperatura. Por lo tanto, la conexión a tierra por resistencia es un buen método para limitar la corriente a la clasificación de corriente segura del equipo.
Ahora, tomemos un ejemplo para entender el concepto de conexión a tierra por resistencia.
Una pieza de equipo eléctrico clasificado en 11 kV tiene su capacidad de corriente a plena carga de 1200 amperios.
Caso-1 – Cuando no hay resistencia a tierra
En este caso R = 0
Resistencia del pozo de tierra = 1,0 ohmios
Corriente de falla a tierra = Voltaje de neutro a fase / Resistencia de pozo a tierra
= (0,58 x 11) / 1
= 6380A
Caso-2 – Cuando hay resistencia en la puesta a tierra del sistema
Ahora, conectamos una resistencia de 5 Ohmios entre el neutro y tierra.
Resistencia total = Resistencia conectada + Resistencia del pozo de tierra
Rt= 5 + 1 = 6 ohmios
Corriente de falla a tierra = Voltaje de neutro a fase / Resistencia total
= (0,58 x 11) / (5+1)
= 6,38 /6
=1006A
En el caso de 2, la corriente se reduce a 1/6 el de la corriente en el caso no.1. Después de la conexión a tierra por resistencia, la corriente está muy por debajo de la capacidad de corriente de carga completa del equipo.
Por lo tanto, a partir de la discusión anterior, es posible limitar la corriente de falla a tierra agregando la resistencia entre el neutro y la tierra. El transformador de corriente detecta la corriente de falla a tierra y el relé de protección aísla automáticamente la sección defectuosa.
¿Necesitamos un sistema de puesta a tierra neutral para un sistema de 440 voltios?
Para un sistema de 440 voltios, la magnitud de la corriente de falla a tierra es;
Corriente de falla a tierra = Voltaje de neutro a fase/resistencia de pozo a tierra
= (0,58 x 440) /1
= 255A
La magnitud de la corriente de falla a tierra es baja para un sistema de 440 voltios. Por lo tanto, este sistema no requiere un sistema de puesta a tierra por resistencia.
Por lo tanto, el sistema de puesta a tierra sólida es suficiente para un sistema de 440 voltios.
Puesta a tierra de reactancia
El inductor tiene una reactancia inductiva que se opone al flujo de corriente eléctrica. Y, podemos usar un inductor para limitar la corriente de falla. El inductor conectado entre el neutro y la tierra forma una puesta a tierra de reactancia.
>La selección de la reactancia es importante para que la puesta a tierra de la reactancia sea eficaz. Ni una reactancia de valor pequeño ni una reactancia de valor grande es una selección perfecta de la puesta a tierra de reactancia neutra. Por lo tanto, la selección adecuada de la reactancia es imprescindible para una puesta a tierra perfecta de la reactancia.
La conexión a tierra por reactancia es más efectiva para sistemas de cables y líneas de transmisión largas. La corriente a través de la reactancia durante la falla debe estar dentro del límite de 25% de corriente de falla trifásica para minimizar sobretensiones transitorias.
RLeer siguiente:
[automatic_youtube_gallery type=»search» search=»Puesta a tierra de resistencia y reactancia» limit=»1″]
Puesta a Tierra de Resistencia y Reactancia
Introducción
En el complejo ámbito de la ingeniería eléctrica, la puesta a tierra no es solo un requisito técnico, sino un elemento crucial para garantizar la seguridad y el correcto funcionamiento de los sistemas eléctricos. Este artículo ofrece una visión exhaustiva sobre la dualdidad entre la resistencia y la reactancia, destacando cómo ambos conceptos, aunque opuestos, trabajan juntos para asegurar la estabilidad en nuestras instalaciones eléctricas.
¿Qué es la Puesta a Tierra por Resistencia?
En sistemas trifásicos de 4 hilos, el punto neutro debe estar en potencial cero cuando las corrientes de fase son equilibradas. Sin embargo, si hay un desequilibrio, se genera una tensión en el neutro. Para evitar que una alta corriente fluya, se utiliza un resistor conocido como Neutral Grounding Resistor, que se conecta entre el neutro y la tierra.
Ventajas de la Puesta a Tierra por Resistencia
- Limita la corriente de falla a un valor seguro.
- Mejora la estabilidad del sistema.
- Reduce la ocurrencia de transitorios.
- Minimiza el riesgo de formación de arcos eléctricos.
- Aumenta la seguridad operativa.
¿Qué es la Puesta a Tierra por Reactancia?
La puesta a tierra por reactancia implica conectar el neutro a tierra mediante una reactancia limitadora. Esto permite controlar la corriente en caso de falla a tierra sin generar descargas peligrosas. Este método es común en instalaciones donde es crítico controlar la magnitud de la corriente de falta sin comprometer la integridad del sistema eléctrico.
Aplicaciones de la Conexión a Tierra por Resistencia y Reactancia
La puesta a tierra por resistencia es particularmente apropiada cuando es necesario limitar la corriente de defecto a un valor que no comprometa la operación del equipo. Por otro lado, la conexión a tierra por reactancia es utilizada en sistemas que requieren menores corrientes de falla, favoreciendo la protección y la operación segura de equipos sensibles.
Ejemplo de Cálculo
Consideremos un equipo eléctrico con una clasificación de 11 kV y una capacidad de 1200 amperios a plena carga. Sin resistencia conectada, la corriente de falla podría llegar a niveles peligrosos. Al incluir una resistencia de 5 ohmios en la puesta a tierra, es posible limitar esta corriente significativamente, protegiendo así la instalación y el equipo.
FAQs
¿Por qué es importante la puesta a tierra?
La puesta a tierra es esencial para prevenir descargas eléctricas accidentales y proteger los equipos eléctricos, garantizando un funcionamiento seguro y eficiente.
¿Cómo se determina el valor de resistencia adecuado?
El valor de resistencia debe ser elegido cuidadosamente considerando la corriente máxima que puede fluir en condiciones de falla, evitando tanto una corriente excesiva como insuficiente.
¿Qué diferencia hay entre puesta a tierra por resistencia y reactancia?
La diferencia radica en la forma en que cada método controla la corriente de falla: la resistencia limita la corriente a niveles seguros, mientras que la reactancia lo hace mediante la reducción de la magnitud de la corriente sin conexión directa a tierra.
Conclusión
El correcto diseño y implementación de sistemas de puesta a tierra por resistencia y reactancia son esenciales para la seguridad y eficiencia de las instalaciones eléctricas. Comprender su funcionamiento y aplicaciones puede prevenir fallas costosas y garantizar la operatividad de equipos eléctricos críticos.

This article on the grounding of resistance and reactance really sheds light on a critical aspect of electrical systems that often gets overlooked. I remember when I was studying electrical engineering, we had a lab where we had to set up our own circuits and appropriately ground them. At first, I underestimated the importance of correctly managing resistance and reactance, but after experiencing some unexpected circuit behaviors due to improper grounding, I quickly learned just how crucial it is. This article does a great job of breaking down the concepts, making them more accessible to anyone looking to deepen their understanding. Thank you for sharing such valuable information!
¡Qué interesante el tema! La verdad es que la puesta a tierra puede ser un dolor de cabeza si no le damos la importancia que merece. Me acuerdo una vez que estaba ayudando a un amigo con su taller de electrónica y no hizo la puesta a tierra correctamente. En medio de un proyecto, empezaron a pasar cosas raras con los equipos y casi le tiramos todo a la basura. Al final, todo se resolvió con una buena conexión a tierra. Ahí te das cuenta de que la teoría no es solo teoría, ¡es salvadora en la práctica!
It seems like your message got cut off. Could you please provide more details or clarify what you would like me to write a single about? Whether it’s a song, a story, or something else, I’d be happy to help!
¡Wow, qué interesante! La verdad es que siempre he tenido mis dudas sobre eso de la puesta a tierra. Una vez, mientras hacía un proyecto de electricidad en la uni, me di cuenta de lo importante que es tener todo bien conectado, porque un pequeño error puede causarte un montón de problemas. Me encanta cómo explican la diferencia entre resistencia y reactancia, es algo que a muchos se les escapa. ¡Gracias por compartirlo!
Yingjie: ¡Totalmente! Es genial ver cómo todos compartimos nuestras experiencias. A mí me pasó algo similar cuando estaba montando el equipo para un show en vivo. No revisé bien la puesta a tierra y, de repente, el micrófono empezó a hacer esos ruidos molestos. Fue un momento de pánico, pero aprender de esos errores es lo que realmente importa. Nunca subestimes la resistencia y la reactancia, son clave para evitar problemas en cualquier instalación. ¡Gran artículo!
Waliokuwab: Totalmente de acuerdo con vos, Adolfo. La puesta a tierra es fundamental y a veces nos olvidamos de lo crucial que es. Recuerdo una vez que estaba instalando un sistema de sonido en un evento y no hice bien la puesta a tierra. Durante la prueba, se generaron unos ruidos rarísimos y pensé que había hecho todo mal. Al final, todo se solucionó al ajustar eso. Esas experiencias te hacen valorar más la teoría detrás de la resistencia y la reactancia. ¡Sigan así con los temas!