Diagrama del método de medición de potencia de dos vatímetros

Diagrama del método de medición de potencia de dos vatímetros: una guía visual esencial para ingenieros

En el mundo de la ingeniería eléctrica, la medición precisa de la potencia es fundamental para garantizar la eficiencia y el rendimiento de los sistemas eléctricos. El método de medición de potencia de dos vatímetros se presenta como una herramienta indispensable que combina simplicidad y eficacia. En este artículo, exploraremos un diagrama detallado que desglosa este método, permitiéndote comprender sus componentes y aplicaciones de manera clara y concisa. Ya seas un estudiante que inicia su camino en la electricidad o un profesional buscando refrescar sus conocimientos, este recurso visual te ofrecerá una perspectiva valiosa sobre cómo capturar la esencia de la potencia en los circuitos eléctricos. ¡Adéntrate en el fascinante mundo de la medición eléctrica y transforma tu comprensión con este diagrama ilustrativo!

¿Alguna vez te has preguntado cómo se mide la potencia en un circuito eléctrico? En este artículo te presentamos el diagrama del método de medición de potencia de dos vatímetros, una técnica fundamental para el análisis de sistemas eléctricos. Descubre paso a paso cómo funciona este método y cómo puedes aplicarlo en tus propios experimentos. ¡No te lo pierdas!

Todos los dispositivos eléctricos funcionan con energía eléctrica y la energía consumida se mide en vatios. el dispositivo que se utiliza para medir la potencia consumida se denomina vatímetro. para medir la potencia trifásica se utilizan principalmente dos métodos, a saber, el método de dos vatímetros y el método de tres vatímetros.

En este artículo, discutiremos el método de dos vatímetros para medir la potencia.

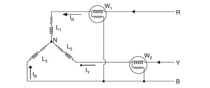
En el método de 2 vatímetros, las bobinas de corriente de dos vatímetros se conectan en serie con las líneas R, Y y B. La bobina de potencial de cada vatímetro está conectada a la tercera línea.

La suma algebraica de la lectura de dos vatímetros da el consumo total de energía de la carga conectada, incluso si la carga está balanceada o desbalanceada.

Potencia total=W1+W2

Método de medidor de dos vatios

Como se muestra en el diagrama de conexión del método de dos vatímetros, se conectan dos vatímetros a una carga trifásica conectada en estrella para medir la potencia.

Diagrama del método de medición de potencia de dos vatímetros

>

Las bobinas de corriente del vatímetro se conectan en serie con dos líneas de carga R & Y y las bobinas de presión (bobina de potencial) de dos vatímetros se unen a la tercera línea B.

La potencia instantánea consumida por la carga trifásica se indica mediante W1 y W2.

La diferencia de potencial instantáneo a través de W1=eRB=eR-miB

Corriente instantánea a través de W1 = yoR

Corriente instantánea a través de W2 =yoY

La diferencia de potencial instantáneo a través de W2=eYB=eY-miB

Potencia instantánea consumida por la carga=W1+W2

= yoR* miRB+yoY*miYB

= yoR(miR-miB)+yoY(miY-miB)

= yoR*miR-IR*miB+yoY*miY-IY*miB

=yoR*miR+yoY*miY-miB(IR+yoY)

=yoR*miR+yoY*miY+yoB*miB …… como la carga esta balanceada yoR+yoY+yoB=0 y yoR+yoY=-yoB

Por eso,

W1+W2=P1+P2+P3

dónde

PAG1= potencia consumida por la carga L1

PAG2= potencia consumida por la carga L2

PAG3= potencia consumida por la carga L3

P= potencia total consumida=W1+W2

Método de medidor de 2 vatios para carga equilibrada

La potencia total absorbida por la carga trifásica se puede calcular usando dos medidores de vatios

Cuando la carga se considera inductiva, el diagrama vectorial para la carga de equilibrio conectada en estrella es

Diagrama del método de medición de potencia de dos vatímetros

>Deje>R miY y miB y las corrientes rms son IRIY y yoB

Como la carga considerada es de naturaleza inductiva, la corriente va a la zaga del voltaje en un ángulo Φ

Corriente a través del vatímetro W1=yoR

La diferencia de potencial a través de la bobina de potencial de W1 es

W1=ERB=ER-MIB

Del valor del diagrama vectorial de ERB se obtiene componiendo ER y miB invertido y diferencia de fase entre ERB y yoR es (300-Φ)

Vatímetro W1 lectura=W1=ERB*IR*porque (300-Φ)

Corriente a través del vatímetro W2=yoY y diferencia de potencial a través de la bobina de presión de W2

=EYB=EY-MIB

miB se deriva de la composición EY y miB en reversa.

el ángulo de fase entre EYB y yoY es porque (300+Φ)

pero la carga esta balanceada

miRB=EYB=EL y yoR= yoY= yoB

W1=EL*IL*porque (300-Φ)

W2=EL*IL*porque (300+Φ)

P = W1+W2

=EL*IL*(porque (300-Φ)+cos (300+Φ))

usando la fórmula cos (A)+cos (B) y resolviendo esto obtenemos la ecuación

P=√3 *MIL*IL* cos (Φ)

Error 403 The request cannot be completed because you have exceeded your quota. : quotaExceeded

[automatic_youtube_gallery type=»search» search=»Diagrama del método de medición de potencia de dos vatímetros» limit=»1″]

Diagrama⁣ del Método ⁣de Medición de Potencia de ​Dos Vatímetros

Introducción

En el mundo de⁢ la ingeniería eléctrica,⁣ medir la potencia es fundamental para⁣ garantizar la eficiencia y ⁤el rendimiento de los sistemas eléctricos. El método ​de medición de potencia⁤ de dos vatímetros se‍ convierte en una herramienta indispensable que combina simplicidad y eficacia. En este artículo, exploraremos‍ un diagrama detallado que desglosa este método, permitiéndote comprender sus ​componentes y aplicaciones de⁤ manera clara y concisa.

¿Qué es el Método de Dos Vatímetros?

El ⁤método de⁣ dos vatímetros se utiliza para medir la ​potencia activa en⁢ sistemas eléctricos trifásicos. Este‍ método es especialmente⁣ útil cuando las cargas no están equilibradas.⁢ En⁢ este enfoque, se emplean dos vatímetros para obtener⁣ la potencia total.

Diagrama⁤ de Conexión

A continuación se⁣ presenta una​ descripción del diagrama de conexión típico en el ​método de dos vatímetros:

  • Las bobinas de corriente de los vatímetros se conectan en serie con​ dos líneas de carga, generalmente R y Y.
  • Las ‌bobinas ⁢de potencial de cada vatímetro se conectan‌ a la tercera línea, que en⁢ este caso es B.

La ‌potencia total consumida por​ el sistema se obtiene mediante la suma de‌ las lecturas⁢ de los dos vatímetros:

Potencia total =​ W1 + W2

Diagrama del método de medición de potencia de⁢ dos ⁤vatímetros

Diagrama del método de dos vatímetros en un sistema trifásico.

Ventajas del ⁣Método de Dos​ Vatímetros

  • Permite medir la potencia en sistemas desbalanceados.
  • Requiere menos equipos⁢ que otros​ métodos, como el de tres vatímetros.
  • Proporciona resultados‍ precisos en ⁢el ‍análisis de cargas eléctricas.

Aplicaciones Prácticas

Este ⁤método se aplica en múltiples áreas, incluyendo:

  1. Industria eléctrica
  2. Instalaciones de energía renovable
  3. Proyectos de ⁣investigación en⁢ ingeniería

Preguntas Frecuentes (FAQs)

¿Cómo se conecta un vatímetro⁢ en un circuito trifásico?

El vatímetro se conecta en serie con⁤ las líneas de carga y su bobina de⁤ potencial se conecta a la tercera línea ⁢del circuito.⁤ Por ejemplo, ⁣en un sistema‌ conectado⁢ en estrella,‍ dos vatímetros se conectan a⁣ las fases R y Y, mientras que sus⁢ bobinas​ de​ presión se conectan a la fase B.

¿Qué tipo de cargas se‌ pueden medir con este método?

El ​método de dos vatímetros puede medir tanto cargas ​equilibradas como‍ desbalanceadas. Esto lo hace especialmente ⁢versátil para ‍aplicaciones en sistemas ⁢industriales donde la carga puede variar.

¿Qué importancia tiene la medición ⁢precisa de la potencia?

La medición precisa de la potencia ⁢es crucial‌ para optimizar ⁣el uso de la energía, ‍reducir costos operativos y ⁢minimizar el impacto ambiental en sistemas ‌eléctricos.

3 comentarios en «Diagrama del método de medición de potencia de dos vatímetros»

  1. Perlado: Totalmente de acuerdo, vankunnepc. A mí también me pasó algo similar cuando empecé a usar el método de dos vatímetros. Me acuerdo que estaba más confundido que un pulpo en un garaje, pero con un par de tutoriales y diagramas como este, todo empezó a tener sentido. Ahora, cada vez que saco los vatímetros, me siento como un pro. ¡Qué alivio cuando todo encaja!

  2. Arbolesqodeshfd: ¡Qué genial que haya tantos que se sientan así! A mí también me pasó lo mismo. Recuerdo que en mi primer proyecto, miré ese diagrama de los dos vatímetros y pensé que era un rompecabezas imposible. Pero entre ensayo y error, fui entendiendo cómo funcionaba todo y ahora, cada vez que lo utilizo, me siento como un chef en la cocina, listo para preparar algo increíble. ¡Gracias por compartir estas experiencias, nos ayudan a todos!

  3. ¡Qué interesante este diagrama! La verdad es que cuando empecé a trabajar en la medición de potencia, el uso de dos vatímetros me voló la cabeza. Recuerdo la primera vez que tuve que aplicar este método; estaba tan perdido entre fórmulas y conexiones que pensé que nunca lo iba a lograr. Pero gracias a recursos como este, aprendí a desmenuzar los pasos y ahora me siento mucho más seguro con las mediciones. ¡Gracias por compartir!

Deja un comentario