Método de transformador en cascada para generar alto voltaje de CA
¿Te has preguntado alguna vez cómo se generan los altos voltajes que alimentan nuestras ciudades y dispositivos eléctricos? En este fascinante mundo de la electrónica, donde los límites de la ciencia se desafían constantemente, surge el método de transformador en cascada como una solución eficiente y poderosa para la generación de corriente alterna de alto voltaje. Este artículo te llevará a través de los principios fundamentales y las innovaciones que hacen posible esta técnica, revelando cómo los transformadores, en su danza sincronizada, despliegan su magia para transformar la energía de forma segura y eficaz. Prepárate para adentrarte en un universo donde la electricidad se convierte en arte y ciencia, y descubre el potencial de esta asombrosa tecnología. ¡Vamos a explorar juntos!
¿Alguna vez te has preguntado cómo se generan los altos voltajes de corriente alterna? El método de transformador en cascada es una técnica fascinante que permite amplificar el voltaje de manera eficiente y segura. En este artículo, exploraremos en detalle este método sorprendente y veremos cómo se utiliza para generar altos voltajes de CA. ¡Prepárate para experimentar el fascinante mundo del transformador en cascada y descubrir su papel crucial en la generación de electricidad de alto voltaje!
El transformador en cascada se utiliza para la generación de alta tensión CA. Se requiere alto voltaje de CA para probar equipos eléctricos como transformadores, cables, interruptores, capacitores y aisladores.
El transformador en cascada funciona como un transformador elevador. El número de transformadores está conectado en la disposición en cascada para obtener el alto voltaje. Ahora, surge una pregunta, cuando es posible obtener el alto voltaje con un solo transformador, ¿por qué usar varios transformadores en una conexión en cascada para obtener el alto voltaje? Suponga que desea obtener el voltaje de 400 kV de 230 voltios, luego, al elegir un transformador con una relación de giro de 1: 1880, puede obtener el voltaje deseado. Sin embargo, en este caso, el aislamiento requerido para el transformador será muy alto, lo que hará que el transformador sea más costoso y pesado. El costo del aislamiento es cuadrados del voltaje.
El concepto de generación de alta tensión con un solo transformador está bien técnicamente, pero no es económico, y además hace que el grupo electrógeno de alta tensión sea muy voluminoso. Por lo tanto, el método del transformador en cascada para generar alto voltaje de CA es el mejor método.
Si utilizamos los transformadores en el método de cascada, el requisito de aislamiento será menor. Esto hace que el transformador sea barato. Además, la unidad de transformador en cascada se vuelve liviana, lo que facilita el montaje y el transporte. Para probar equipos eléctricos, requerimos alto voltaje y baja corriente. El transformador en cascada es el más adecuado para aplicaciones de prueba de equipos eléctricos.
Los transformadores en cascada se utilizan principalmente para pruebas de alto voltaje de corta duración en equipos eléctricos. El requisito de corriente típico para estas pruebas es el siguiente.
Equipo eléctrico
Requisitos actuales (amperios)
Aisladores, Disyuntores y bushings
0,1 -0,5 A
Transformador
0,5-1,0 A
cabos
1 A y superior
Ahora, analicemos el funcionamiento de un transformador en cascada.
Funcionamiento del transformador en cascada
>
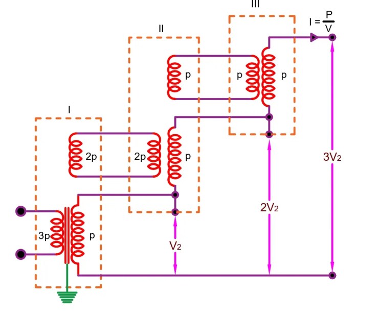
El circuito anterior muestra la conexión en cascada de tres transformadores. La línea discontinua muestra el conjunto de transformadores en cascada. El tanque del transformador y el núcleo del transformador de primera etapa están conectados a tierra. El tanque del transformador de segunda y tercera etapa no está puesto a tierra. y se proporciona un aislamiento adecuado entre el transformador de segunda y tercera etapa.
El bajo voltaje Sea V1 se alimenta al primario del transformador de primera etapa. El transformador de primera etapa aumenta el voltaje primario de acuerdo con la relación de giro del transformador. El voltaje secundario de la primera etapa del transformador es V2. Por lo tanto, obtenemos el voltaje V2 entre el terminal del secundario del transformador de primera etapa y tierra.
El secundario del devanado terciario está conectado al devanado primario del transformador de siguiente etapa en la conexión en serie. El primario del transformador de segunda etapa recibe el mismo voltaje que recibe el primario de primera etapa, por lo tanto el voltaje secundario del transformador de segunda etapa será igual a V2. Por lo tanto, obtenemos el voltaje V2+V2= 2 V2 entre el terminal del secundario del transformador de segunda etapa y tierra.
Además, el primario del transformador de tercera etapa recibe el mismo voltaje que el primario de los transformadores de primera y segunda etapa. Así, el primario del transformador de tercera etapa recibe la misma tensión que la primera etapa y el primario de la etapa secundaria recibe, por lo tanto la tensión secundaria del transformador de tercera etapa será igual a V2. Por lo tanto, obtenemos el voltaje V2+V2 +V2= 3V2 entre el terminal del secundario del transformador de tercera etapa y tierra.
Cabe señalar que el transformador de última etapa tiene dos devanados y el transformador anterior a la última etapa tiene transformadores de tres o tres devanados. Si hay cuatro etapas, entonces los transformadores de las primeras tres etapas tienen tres devanados y el transformador de la última etapa tiene dos devanados.
Los tanques de los transformadores de segunda y tercera etapa están a potencial V2 y 2V2, respectivamente, por encima de la tierra, por lo que necesitan un aislamiento adecuado. Los cables de conexión del devanado terciario y el devanado de alto voltaje se conectan al transformador de la siguiente etapa a través de casquillos.
Sin embargo, si usamos un devanado de alto voltaje de tipo potencial de punto medio, entonces el potencial en el tanque será de 0.5V21,5 V2, y 2,5 V2 respectivamente para tres etapas, lo que lleva a una construcción más económica porque ahora el requisito de aislamiento de alto voltaje es para V2/2 potencial del tanque.
Carga en transformador en cascada
La potencia aparente total VA del transformador en cascada que se muestra en la imagen de arriba es de 3 V2 Yo = 3P. Cada devanado secundario del transformador conduce una corriente I=P/V2. La carga en el devanado de cada transformador se muestra con la letra P en la figura. La carga en el primario del transformador de tercera etapa es P. La carga en el primario del transformador de segunda y tercera etapa es 2P y 3P respectivamente. Por lo tanto, el primario del transformador de primera etapa tiene carga máxima. Por lo tanto, al diseñar un transformador se debe considerar el factor de carga.
[automatic_youtube_gallery type=»search» search=»Método de transformador en cascada para generar alto voltaje de CA» limit=»1″]
Método de Transformador en Cascada para Generar Alto Voltaje de CA
¿Te has preguntado alguna vez cómo se generan los altos voltajes que alimentan nuestras ciudades y dispositivos eléctricos? En este fascinante mundo de la electrónica, donde los límites de la ciencia se desafían constantemente, surge el método de transformador en cascada como una solución eficiente y poderosa para la generación de corriente alterna de alto voltaje. Este artículo te llevará a través de los principios fundamentales y las innovaciones que hacen posible esta técnica, revelando cómo los transformadores, en su danza sincronizada, despliegan su magia para transformar la energía de forma segura y eficaz.
¿Qué es un Transformador en Cascada?
El transformador en cascada se utiliza para la generación de alta tensión CA. Este dispositivo es crucial para probar equipos eléctricos como transformadores, cables, interruptores, capacitores y aisladores. Funciona como un transformador elevador, conectando múltiples transformadores en una disposición en cascada para obtener un alto voltaje.
Ventajas del Método de Cascada
Aunque es posible obtener altos voltajes con un solo transformador, existen varias razones para usar una configuración en cascada:
- Reducción de costos: Al usar varios transformadores, el requisito de aislamiento es menor, lo que hace que el costo sea más accesible.
- Ligereza y portabilidad: La unidad de transformador en cascada es más liviana, lo que facilita su montaje y transporte.
- Eficiencia en pruebas: Ideal para aplicaciones de prueba donde se requieren altos voltajes y bajas corrientes.
Funcionamiento del Transformador en Cascada
El funcionamiento puede entenderse a través de un esquema básico donde se conecta en cascada.
Ejemplo Práctico
Supongamos que se desea obtener un voltaje de 400 kV de 230 voltios. En lugar de un solo transformador con una relación de giro alta (e.g., 1:1880), se utilizan múltiples transformadores para minimizar el aislamiento costoso y voluminoso.
La conexión en cascada permite que el voltaje de salida se sume. Por ejemplo, si:
- El voltaje de salida del primer transformador es V2,
- El segundo transformador también proporciona V2,
- Y así sucesivamente,
El voltaje total entre el terminal del último transformador y tierra se convierte en la suma de estas tensiones, resultando en un voltaje total que es considerablemente más alto.
Aplicaciones de los Transformadores en Cascada
Los transformadores en cascada se utilizan principalmente para pruebas de alto voltaje de corta duración en equipos eléctricos. Los requisitos típicos de corriente son los siguientes:
| Equipo Eléctrico | Requisitos de Corriente (Amperios) |
|---|---|
| Aisladores, Disyuntores y Bushings | 0.1 - 0.5 A |
| Transformador | 0.5 – 1.0 A |
| Cables | 1 A y superior |
Preguntas Frecuentes (FAQs)
¿Cuál es el principal beneficio de usar transformadores en cascada?
El principal beneficio es la reducción del costo y del aislamiento necesario, haciendo que el sistema sea más eficiente y económico.
¿Para qué se utilizan comúnmente los transformadores en cascada?
Se utilizan principalmente para pruebas de alto voltaje en equipos eléctricos y en aplicaciones industriales donde se requiere un alto voltaje de forma segura.
¿Qué tipos de transformadores se utilizan en este método?
Los transformadores de alta tensión son los más comunes, y pueden ser diseñados específicamente para soportar las tensiones involucradas en las pruebas.
Conclusión
El método de transformador en cascada es una técnica fundamental para la generación de alto voltaje de CA, que permite a las industrias y empresas realizar pruebas cruciales en equipos eléctricos de manera segura y económica. Esta tecnología, que mezcla arte y ciencia, seguirá siendo un pilar en el avance de la ingeniería eléctrica.
Para obtener más información sobre transformadores y sus aplicaciones, puedes visitar Itztli.
¡Qué interesante este método de transformador en cascada! La verdad es que he estado experimentando con circuitos de alto voltaje y me ha dejado perplejo lo que se puede lograr con esta técnica. Cuando hice mis primeras pruebas, no me imaginaba que se podían obtener niveles tan altos de CA sin necesidad de equipos súper complicados. A veces, las soluciones más ingeniosas son las más simples. Sin duda, voy a probar lo que mencionan en el artículo. Gracias por compartirlo, cormenzana.
It seems your message got cut off! Could you please provide more details about the task you’d like me to assist with? Whether it’s writing a specific type of content, like an essay, story, email, or something else, I’m here to help!
¡Totalmente de acuerdo, román! Yo también probé el método del transformador en cascada el año pasado y fue una experiencia increíble. Me acuerdo que estaba un poco nervioso como tú, pero cuando vi cómo empezaba a generar ese alto voltaje de CA, ¡se me pasaron todos los miedos! Es como si tuvieras un pequeño laboratorio de ciencia en casa, y la posibilidad de aplicarlo en diferentes proyectos es solo un bonus. Realmente es un método que hay que experimentar al menos una vez, ¡no se arrepentirán!
Joan ferran: Totalmente de acuerdo, cormenzana. Este método de transformador en cascada es realmente impresionante. Yo también hice unas pruebas hace un tiempo y, aunque al principio tenía un poco de miedo, al final fue muy satisfactorio ver cómo funcionaba. Es alucinate cómo con pocos componentes se puede llegar a generar altos voltajes. Definitivamente me anoto en la lista de los que van a probar lo que sugieren en el artículo, ¡gracias por compartir!
¡Interesante artículo sobre el método de transformador en cascada! Me parece fascinante cómo esta técnica permite generar altos voltajes de CA de manera eficiente. Recuerdo una vez en la universidad, cuando trabajé en un proyecto de electrónica en el que tuvimos que utilizar transformadores similares para alimentar un circuito de prueba. La combinación de transformadores en cascada nos permitió alcanzar voltajes que parecían inalcanzables, y la experiencia me brindó una gran comprensión sobre la importancia de este método en aplicaciones industriales. Definitivamente considero que este enfoque es esencial para innovaciones en el campo de la energía eléctrica. ¡Gracias por compartir!
Manuel baltasar: ¡Totalmente, cormenzana! Este método es un verdadero descubrimiento. Yo también me aventuré a probarlo el verano pasado y la adrenalina durante las primeras conexiones era espectacular. Al principio me sentía un poco como un científico loco, pero al ver cómo todo funcionaba y el voltaje que lograba, fue realmente emocionante. La simplicidad de este enfoque es lo que más me sorprende, ¿verdad? ¡Definitivamente lo recomiendo a cualquiera que le guste experimentar!
Mental con electricidad! A mí me pasó algo parecido, recuerdo que estaba un poco nervioso la primera vez que lo probé, pero la emoción de ver cómo el transformador en cascada hacía su magia fue indescriptible. Además, me encanta cómo se puede aplicar en tantos proyectos, ¡es como tener un superpoder en casa! Sin duda, es un método que deja huella y, como dices, la simplicidad es clave.