Números de dispositivo ANSI

Números de dispositivo ANSI: La Clave para Comprender la Normativa

Si alguna vez te has encontrado en medio de un dilema técnico y has escuchado hablar de los números de dispositivo ANSI, quizás te hayas preguntado qué significan y por qué son tan importantes. Estos códigos son más que simples números; son la lengua franca de la industria eléctrica que garantiza la seguridad y la funcionalidad en el diseño y mantenimiento de sistemas eléctricos. En este artículo, desglosaremos qué son los números de dispositivo ANSI, cómo se clasifican y por qué su comprensión es vital para profesionales y entusiastas por igual. ¡Acompáñanos en este fascinante recorrido por el mundo de la normativa eléctrica!

¿Alguna vez te has preguntado cómo se asignan los números de dispositivo ANSI? Estos números son clave en el ámbito de la seguridad eléctrica y garantizan la correcta identificación de cada dispositivo. En este artículo, te contaremos todo lo que necesitas saber sobre los números de dispositivo ANSI, desde cómo se asignan hasta qué información contienen. ¡No te lo pierdas!

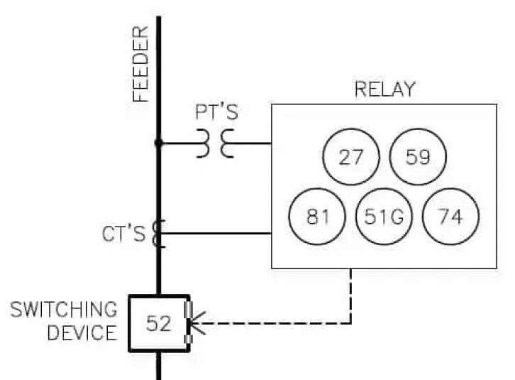
Los números de dispositivo estándar ANSI (según el estándar ANSI/IEEE C37.2) se utilizan en el diseño de un sistema de energía eléctrica. Estos dispositivos protegen la red eléctrica en caso de falla en el sistema. La lista de números de dispositivos ANSI con sus siglas es la siguiente.

Lista de números y acrónimos de dispositivos ANSI

Números de dispositivo ANSI>

  • 1 – Elemento maestro
  • 2 – Relé de inicio o cierre temporizado
  • 3 – Relé de Comprobación o Enclavamiento, Secuencia completa
  • 4 – Protección maestra
  • 5 – Dispositivo de parada, interruptor de parada de emergencia
  • 6 – Disyuntor de arranque
  • 7 – Relé de tasa de cambio
  • 8 – Dispositivo de desconexión de la alimentación de control
  • 9 – Dispositivo de marcha atrás
  • 10 – Interruptor de secuencia de unidades
  • 11 – Dispositivo multifunción
  • 12 – Dispositivo de sobrevelocidad
  • 13 – Dispositivo de velocidad síncrona
  • 14 – Dispositivo de subvelocidad
  • 15 – Dispositivo de adaptación de velocidad o frecuencia
  • 16 – Dispositivo de comunicación de datos
  • 17 – Interruptor de derivación o descarga
  • 18 – Dispositivo de aceleración o desaceleración
  • 19 – Contactor de transición de arranque a marcha
  • 20 – Válvula operada eléctricamente (válvula solenoide)
  • 21 – Relé de distancia
  • 21G – Distancia al suelo
  • 21P – Distancia de fase
  • 22 – Disyuntor del ecualizador
  • 23 – Dispositivo de control de temperatura, calentador
  • 24 – Relé de voltios por hercio
  • 25 – Dispositivo de sincronización o control de sincronismo
  • 26 – Dispositivo térmico del aparato, interruptor de temperatura
  • 27 – Relé de subtensión
  • 27P – Subtensión de Fase
  • 27S – Relé de mínima tensión CC
  • 27TN – Subtensión del Neutro del Tercer Armónico
  • 27TN/59N – 100% Fallo a tierra del estator
  • 27X – Subtensión Auxiliar
  • 27 AUX – Entrada auxiliar de bajo voltaje
  • 27/27X – Baja tensión de barra/línea
  • 27/50 – Energización Accidental de Generador
  • 28 – Detector de llama
  • 29 – Contactor de Aislamiento
  • 30 – Relé anunciador
  • 31 – Dispositivo de excitación separado
  • 32 – Relé de potencia direccional
  • 32L: baja potencia de avance
  • 32H – Alta potencia direccional
  • 32N – Direccional vatimétrico de secuencia cero
  • 32P – Potencia direccional
  • 32R – Potencia inversa
  • 33 – Interruptor de posición
  • 34 – Dispositivo de secuencia maestra
  • 35 – Dispositivo de cortocircuito de anillo deslizante o de funcionamiento con escobillas
  • 36 – Dispositivo de Polaridad o Tensión de Polarización
  • 37 – Relé de baja corriente o baja potencia
  • 37P – Bajo poder
  • 38 – Dispositivo de protección de rodamientos / Rodamiento Rtd
  • 39 – Monitor de condición mecánica (vibración)
  • 40 – Relé de campo/pérdida de excitación
  • 41 – Disyuntor de campo
  • 42 – Disyuntor en funcionamiento
  • 43 – Dispositivo de Transferencia Manual o Selector
  • 44 – Relé de arranque de secuencia de unidades
  • 45 – Detector de incendios
  • 46 – Relé de corriente de fase inversa o balance de fase o desequilibrio de corriente del estator
  • 47 – Relé de voltaje de secuencia de fase o equilibrio de fase
  • 48 – Relé de secuencia incompleta/rotor bloqueado
  • 49 – Relé Térmico de Máquina o Transformador / Sobrecarga Térmica
  • 49RTD – Sobrecarga térmica polarizada RTD
  • 50 – Relé de Sobreintensidad Instantánea
  • 50BF – Fallo del interruptor
  • 50DD – Detector de perturbaciones de corriente
  • 50EF – Protección contra falla final
  • 50G – Sobrecorriente Instantánea de Tierra
  • 50IG – Sobreintensidad Instantánea de Tierra Aislada
  • 50LR – Tiempo de aceleración
  • 50N – Sobreintensidad Instantánea del Neutro
  • 50NBF – Falla del interruptor instantáneo neutral
  • 50P – Sobrecorriente Instantánea de Fase
  • 50SG – Sobrecorriente Instantánea de Tierra Sensible
  • 50SP – Corriente instantánea de fase dividida
  • 50Q – Sobreintensidad Instantánea de Secuencia Negativa
  • 50/27 – Energización accidental
  • 50/51 – Relé de sobrecorriente instantáneo / temporizado
  • 50/74 – Problema de CT
  • 50/87 – Diferencial Instantáneo
  • 51 – Relé de sobrecorriente de tiempo de CA
  • 51G – Sobrecorriente de Tiempo de Tierra
  • 51LR – Relé de protección de sobrecorriente de tiempo inverso de CA (rotor bloqueado)
  • 51N – Sobreintensidad Temporal del Neutro
  • 51P – Sobrecorriente de Tiempo de Fase
  • 51R – Rotor bloqueado/atascado
  • 51V – Sobrecorriente de tiempo de restricción de voltaje
  • 51Q – Sobrecorriente de Tiempo de Secuencia Negativa
  • 52 – Disyuntor de CA
  • 52a – Posición del disyuntor de CA (contacto abierto cuando el disyuntor está abierto)
  • 52b – Posición del disyuntor de CA (contacto cerrado cuando el disyuntor está abierto)
  • 53 – Excitador o relé del generador de CC
  • 54 – Dispositivo de acoplamiento de engranajes de giro
  • 55 – Relé de factor de potencia
  • 56 – Relé de aplicación de campo
  • 57 – Dispositivo de puesta a tierra o de cortocircuito
  • 58 – Relé de falla de rectificación
  • 59 – Relé de sobretensión
  • 59B – Sobretensión de fase del banco
  • 59P – Sobretensión de fase
  • 59N – Sobretensión de Neutro
  • 59NU – Desequilibrio de tensión de neutro
  • 59P – Sobretensión de fase
  • 59X – Sobretensión Auxiliar
  • 59Q – Sobretensión de Secuencia Negativa
  • 60 – Relé de equilibrio de voltaje o corriente
  • 60N – Desequilibrio de corriente de neutro
  • 60P – Desequilibrio de corriente de fase
  • 61 – Sensor o interruptor de densidad
  • 62 – Relé de paro o apertura temporizado
  • 63 – Detector de Presostato
  • 64 – Relé de protección de tierra
  • 64F – Protección de tierra de campo
  • 64R – Defecto a tierra del rotor
  • 64REF – Diferencial de falla a tierra restringida
  • 64S – Defecto a tierra del estator
  • 64S – Protección de tierra del estator subarmónico
  • 64TN – 100% tierra del estator
  • 65 – Gobernador
  • 66 – Dispositivo de muescas o trote/Velocidad máxima de arranque/Arranques por hora/Tiempo entre arranques
  • 67 – Relé de sobrecorriente direccional de CA
  • 67G – Sobrecorriente direccional a tierra
  • 67N – Sobrecorriente direccional de neutro
  • 67Ns – Falla a tierra direccional
  • 67P – Sobrecorriente Direccional de Fase
  • 67SG – Sobrecorriente direccional de tierra sensible
  • 67Q – Sobrecorriente direccional de secuencia negativa
  • 68 – Relé de bloqueo / Bloqueo de oscilación de potencia
  • 69 – Dispositivo de control permisivo
  • 70 – reostato
  • 71 – Interruptor de líquido, interruptor de nivel
  • 72 – Disyuntor de CC
  • 73 – Contactor de resistencia de carga
  • 74 – Relé de alarma
  • 75 – Mecanismo de cambio de posición
  • 76 – Relé de sobrecorriente de CC
  • 77 – Dispositivo de Telemedida, Sensor de Velocidad
  • 78 – Medición de ángulo de fase o relé de protección de desfase
  • 78V – Pérdida de red
  • 79 – Relé de recierre de CA / Recierre automático
  • 80 – Relé de flujo de líquido o gas
  • 81 – Relé de frecuencia
  • 81O – Sobrefrecuencia
  • 81R – Frecuencia de tasa de cambio
  • 81U – Baja frecuencia
  • 82 – Relé de reconexión de CC
  • 83 – Control selectivo automático o relé de transferencia
  • 84 – Mecanismo Operativo
  • 85 – Comunicaciones piloto, portadora o relé de hilo piloto
  • 86 – Relé de bloqueo, relé de disparo maestro
  • 87 – Relé de Protección Diferencial
  • 87B – Diferencial de autobús
  • 87G – Diferencial del generador
  • 87GT – Diferencial de generador/transformador
  • 87L – Diferencial de corriente de línea segregada
  • 87LG – Diferencial de corriente de línea de tierra
  • 87M – Diferencial de motores
  • 87O – Diferencial general
  • 87PC – Comparación de fase
  • 87RGF – Falla a tierra restringida
  • 87S – Diferencial del estator
  • 87S – Porcentaje diferencial
  • 87T – Transformador diferencial
  • 87V – Diferencial de voltaje
  • 88 – Motor Auxiliar o Motor Generador
  • 89 – Interruptor de línea
  • 90 – Dispositivo de Regulación
  • 91 – Relé direccional de tensión
  • 92 – Relé direccional de tensión y potencia
  • 93 – Contactor de cambio de campo
  • 94 – Relé de disparo o disparo libre
  • 95- Para aplicaciones específicas donde otros números no son adecuados
  • 96 – Transmisor
  • 97- Para aplicaciones específicas donde otros números no son adecuados
  • 98- Para aplicaciones específicas donde otros números no son adecuados
  • 99- Para aplicaciones específicas donde otros números no son adecuados
  • Leer a continuación: Códigos ANSI de relé de protección de frecuencia

    Error 403 The request cannot be completed because you have exceeded your quota. : quotaExceeded

    [automatic_youtube_gallery type=»search» search=»Números de dispositivo ANSI» limit=»1″]

    Números de Dispositivo ANSI: ⁢La Clave para ‌Comprender la Normativa

    Si alguna vez te has encontrado en medio de un dilema técnico y has⁢ escuchado hablar de los números de dispositivo ANSI, quizás ​te ⁣hayas‌ preguntado qué ‍significan y por qué son tan importantes. Estos códigos⁣ son más que ‍simples números; ⁣son la ‍lengua franca de la industria eléctrica que garantiza la seguridad y la funcionalidad en el diseño y mantenimiento de sistemas eléctricos. En este artículo,⁢ desglosaremos qué son los números de dispositivo ANSI, cómo se ⁤clasifican y por qué su comprensión es vital⁣ para‌ profesionales y entusiastas por igual.

    ¿Qué son los Números de Dispositivo ANSI?

    Los números‍ de dispositivo estándar ANSI, establecidos por el estándar​ ANSI/IEEE C37.2, son códigos‍ designados para identificar⁣ diversos dispositivos en sistemas eléctricos. Estos números ayudan a los ‍ingenieros a garantizar la correcta identificación de cada⁢ dispositivo, facilitando el diseño, la instalación, el mantenimiento​ y la reparación de equipos eléctricos.

    Clasificación de los Números de⁣ Dispositivo ANSI

    A continuación, se​ presenta una lista⁢ de algunos de los números de dispositivo ANSI y sus significados:

    1. 1 – Elemento maestro
    2. 2 – Relé de ⁢inicio o cierre ‌temporizado
    3. 3 – Relé de comprobación o enclavamiento
    4. 4 – Protección maestra
    5. 5 – Dispositivo de parada
    6. 50 – Relé de sobreintensidad ‌instantánea
    7. 51 – Relé de sobrecorriente temporizado
    8. 59 – Relé de sobretensión
    9. 64 –​ Relé de protección de tierra
    10. 67 – Relé⁢ de sobrecorriente direccional de CA

    Para conocer la lista completa ⁤de ⁣códigos y descripciones,‌ puedes visitar el sitio de Itztli[[1]]o la Ingeniería Eléctrica[[3]].

    Importancia de Comprender los Números ANSI

    Comprender los números de dispositivo ANSI es​ esencial para garantizar la seguridad​ en la electricidad. Estos códigos permiten⁣ a los profesionales identificar rápidamente ​los dispositivos en un sistema⁢ eléctrico, facilitando las reparaciones urgentes y el mantenimiento preventivo. Además, asegurar que cada dispositivo esté correctamente identificado puede prevenir fallas eléctricas graves y mejorar la eficiencia operativa.

    FAQs sobre Números de Dispositivo ANSI

    ¿Por qué son importantes los códigos ANSI en el sector eléctrico?

    Los⁣ códigos ANSI son ​cruciales para la estandarización en ‌la industria eléctrica.‍ Proporcionan una nomenclatura uniforme que facilita la comunicación entre diferentes profesionales y proveedores, asegurando‌ que todos entiendan correctamente el propósito y la función de cada dispositivo.

    ¿Cómo se asignan ⁤los números ANSI?

    Los números de dispositivo ANSI se asignan conforme a criterios⁣ específicos ⁣establecidos por el ANSI ‌y⁣ el IEEE. Cada número corresponde a un tipo particular de funcionalidad de protección, lo que permite una identificación rápida ​y precisa en⁤ sistemas eléctricos ⁢complejos.

    ¿Dónde puedo encontrar más información sobre los⁢ dispositivos ANSI?

    Para obtener más detalles sobre los dispositivos ANSI y sus aplicaciones, puedes consultar recursos en‌ línea como el artículo ‌de Leiry Chinchilla[[2]], que profundiza en los ⁢prefijos y sufijos relacionados ⁤con los números ANSI.

    Conclusión

    Los números de dispositivo ANSI son fundamentales en el⁢ campo de la electricidad, asegurando ⁣una correcta identificación y comunicación en la industria. Dominar estos​ códigos puede ser decisivo⁣ para mantener la seguridad‌ y eficiencia en el funcionamiento de sistemas​ eléctricos. Conocer la lista y su significado da a los profesionales las herramientas⁢ necesarias para operar con confianza ⁤en su campo.

    3 comentarios en «Números de dispositivo ANSI»

    1. Maggtangjf: ¡Totalmente de acuerdo! Yo también nunca les había dado importancia, pero después de leer esto, entiendo mucho mejor cómo funcionan. Una vez me metí en líos tratando de conectar un dispositivo y no sabía qué números usar. Al final, tuve que pedir ayuda a un amigo que sabe del tema. Ahora con esta info, me siento más preparado para la próxima vez. ¡Gran aporte!

    2. Reveron: ¡Gran artículo, la verdad! Nunca supe lo relevantes que eran esos números ANSI hasta que un día me topé con un problema en un sistema viejo que estaba intentando rehabilitar. Estuve horas buscando el número correcto y casi me vuelvo loco. Ahora entiendo que es fundamental conocerlos. Gracias por iluminar este tema que a muchos nos puede salvar de un buen dolor de cabeza. ¡Saludos!

    3. ¡Excelente artículo! Nunca había prestado mucha atención a los números de dispositivo ANSI, pero la explicación fue súper clara. Recuerdo una vez que estaba configurando una interfaz en un proyecto y me volví loco buscando esa información. Ahora me siento un poco más seguro al respecto. ¡Gracias por compartir!

    Deja un comentario